产品中心
ADR-C系列
ADR-C系列为内转子无框水冷直驱旋转电机,其继承了直驱电机的一贯特点,即结构简单、体积紧凑,无传动误差、无背隙,转速高、加减速快。产品符合RoHS、CE、REACH的国际标准。电机可在最大600Vdc母线电压的情况下工作,涵盖不同国家及地区的要求。
下载附件:
技术参数
  • 产品介绍
  • 规格参数
  • 尺寸图
  • 订购信息

设计特点:

A.水冷电机

B.高扭矩密度

C.低齿槽转矩

D.大中孔



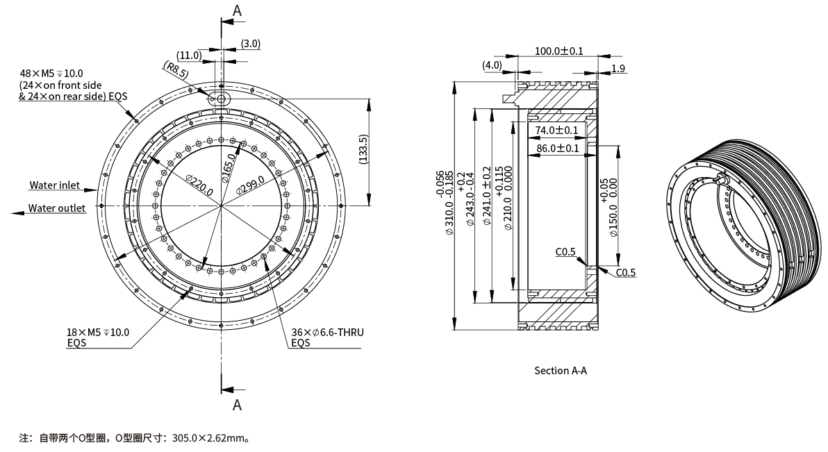
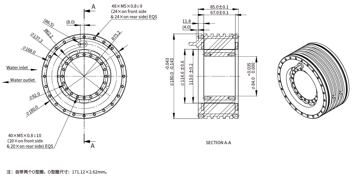
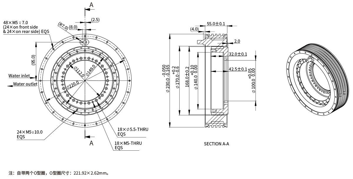
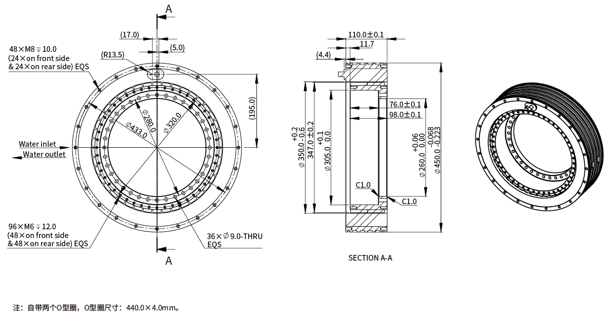
电机规格外径高度中孔最高转速转动惯量
(mm)(mm)(mm)(rpm)(kg·m2)
ADR160-C-06518085-6604.90E-03
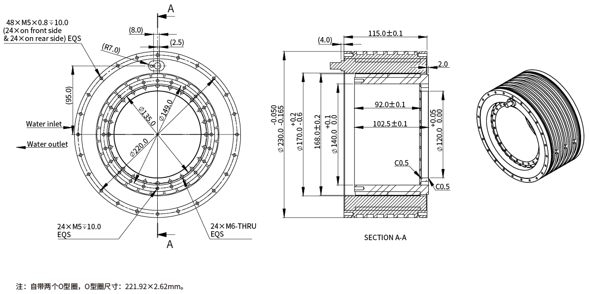
ADR210-C-03023057-5701.40E-02
ADR210-C-090230117-3603.20E-02
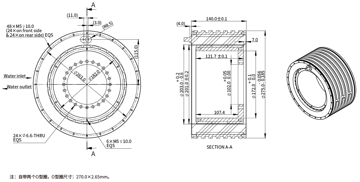
ADR256-C-120275140-1107.10E-02
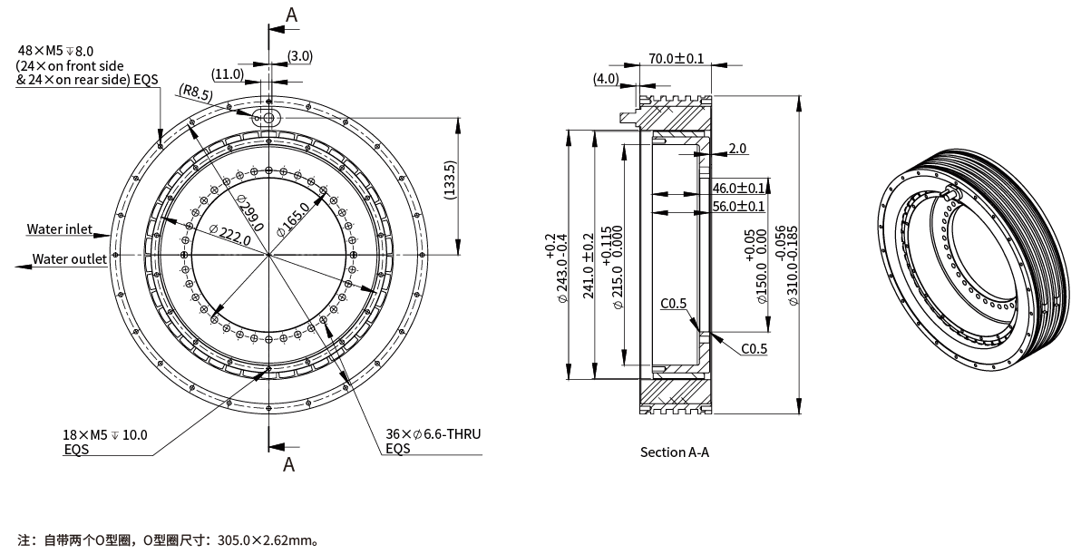
ADR290-C-05031070-3205.76E-02
ADR290-C-080310100-2109.75E-02
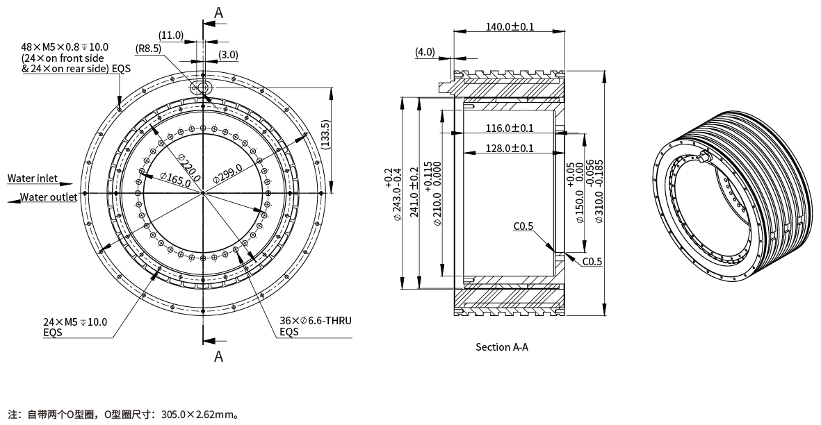
ADR290-C-120310140-2701.17E-01
ADR360-C-150385175-1654.40E-01
ADR420-C-090450110-1654.50E-01

注:

①测量基于最大母线电压。

相关参数规格如有变动,恕不另行通知。


ADR160-C-065

image.png


ADR210-C-030

image.png


ADR210-C-090

image.png


ADR256-C-120

image.png


ADR290-C-050

image.png


ADR290-C-080

image.png


ADR290-C-120

image.png


ADR360-C-150

image.png


ADR420-C-090

image.png





image.png


image.png



image.png

相关产品
ADR-B系列
相关产品
ADR-P系列
相关产品
ADR-F系列
相关产品
ACD系列
相关产品
AXD-ERA系列
在线留言
如果您有任何的建议或意见
请联系我们
cust-service@akribis-sys.cn
+86 21 58595800
留言