设计特点
A. 无齿槽力
B. 无铁芯技术直驱力矩电机
C. 低速速度波动小适合检测应用
D. 内置光栅位置反馈和精密轴承,通过光学零位精准复位
电机规格 | 外径 | 高度 | 中孔 | 推荐最大转矩@48VDC(数字量/模拟量)① | 重复定位精度② | 转动惯量 |
(mm) | (mm) | (mm) | (rpm) | (arc sec) | (kg·m2) | |
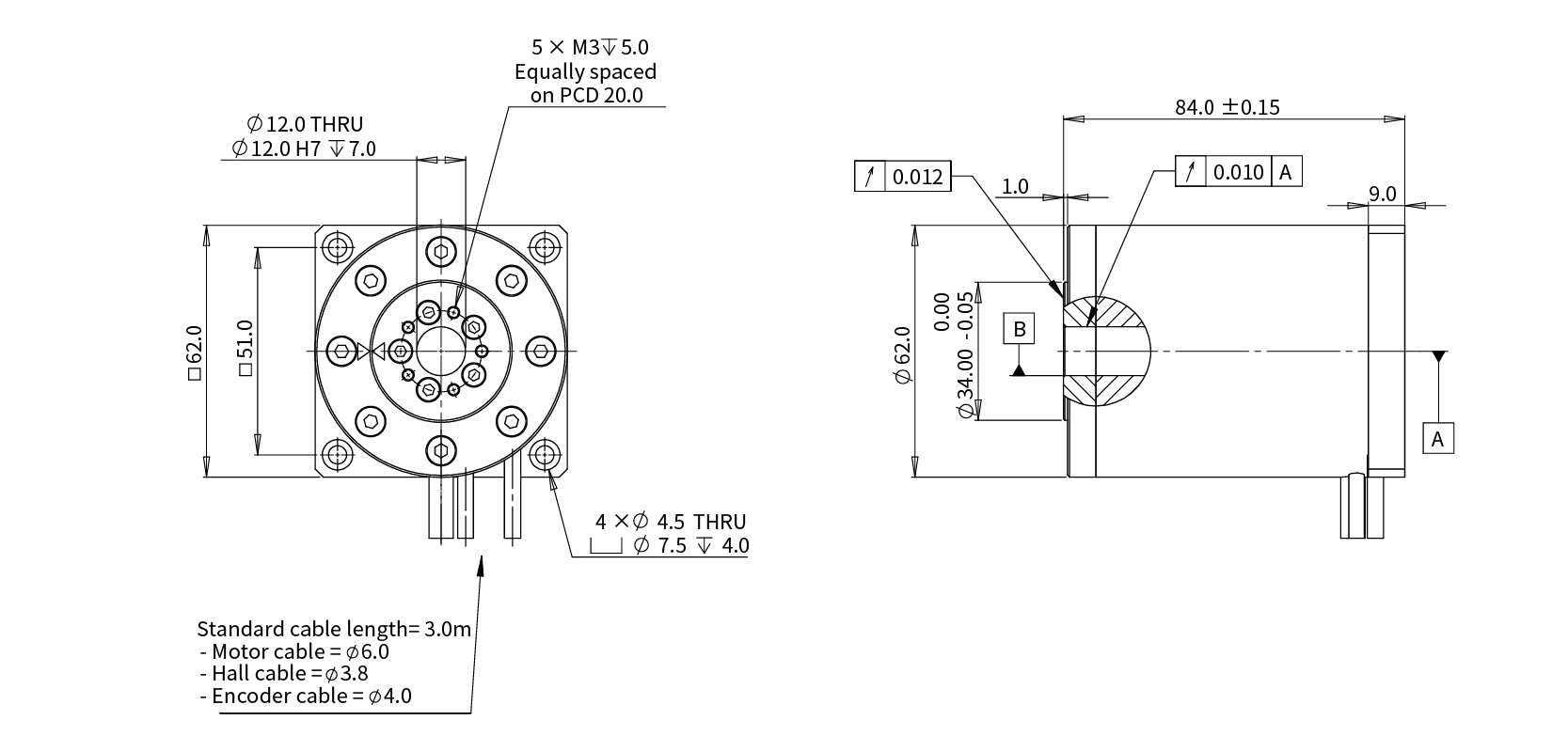
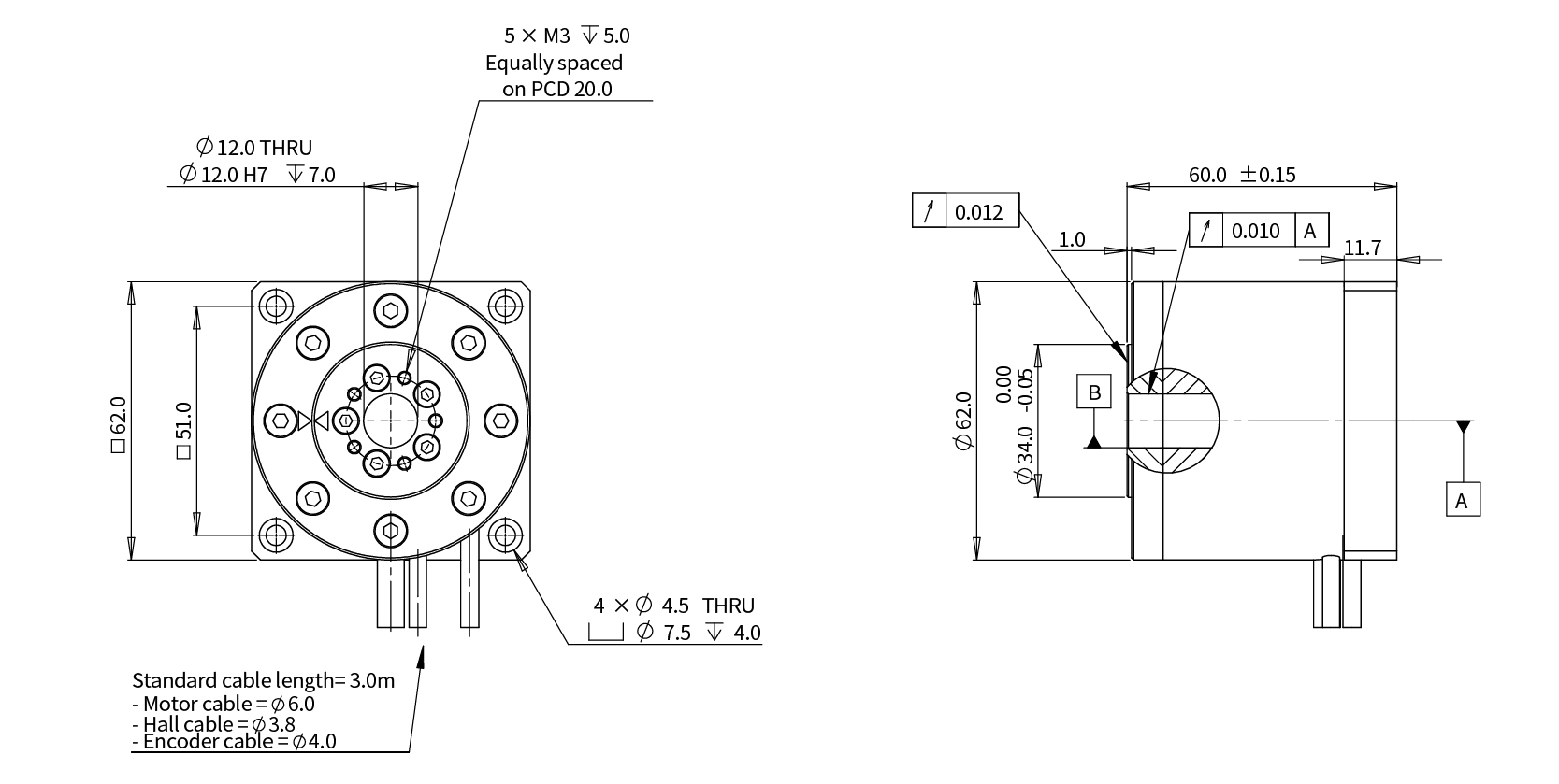
ACD62-60 | 62 | 60 | 12 | 1200 | +/-3 | 2.157E-05 |
ACD62-84 | 62 | 84 | 12 | 1200 | +/-3 | 3.944E-05 |
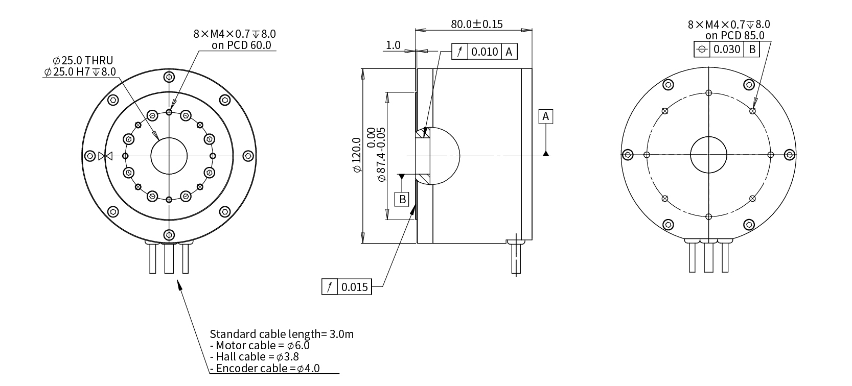
ACD120-80 | 120 | 80 | 25 | 952 | +/-3 | 1.08E-03 |
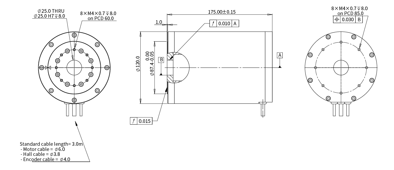
ACD120-175 | 120 | 175 | 25 | 220 | +/-3 | 3.21E-03 |
注:
①测量基于ABI增量式光学编码器(SIN/COS,4096x)和最大母线电压。
②测量基于ABI增量式光学编码器(SIN/COS,4096x),标准端跳等级。
相关参数规格如有变动,恕不另行通知。
ACD62-60
ACD62-84
ACD120-80
ACD120-175