产品中心
ACW系列
直驱旋转电机 ACW系列与ACD系列类似,同样是无铁芯型永磁电机。不同的是其通过独特的机械设计实现电机的扁平特性以及大中孔特性。适用于对高度有特殊要求的应用。
下载附件:
技术参数
  • 产品介绍
  • 规格参数
  • 尺寸图
  • 订购信息

设计特点

A. 扁平设计

B. 大中孔孔径

C. 无齿槽效应

D. 直驱无刷电机无铁芯技术

E. 通过光学零位实现精准复位

F. 内置高精度编码器和精密轴承



电机规格外径高度中孔最高转速基于标准轴向/径向跳动 @230V AC重复定位精度转动惯量
(mm)(mm)(mm)(rpm)(arc sec)(kg·m2)
ACW1201203737400+/-46.584E-04
ACW1701703750250+/-32.020E-03
ACW2202204270190+/-38.354E-03

注:

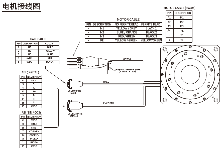
①测量基于ABI增量式光学编码器(SIN/COS,4096x)和最大母线电压。

②测量基于ABI增量式光学编码器(SIN/COS,4096x),P5端跳等级。

相关参数规格如有变动,恕不另行通知。

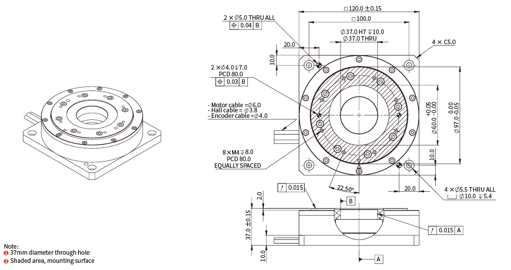
ACW120

image.png


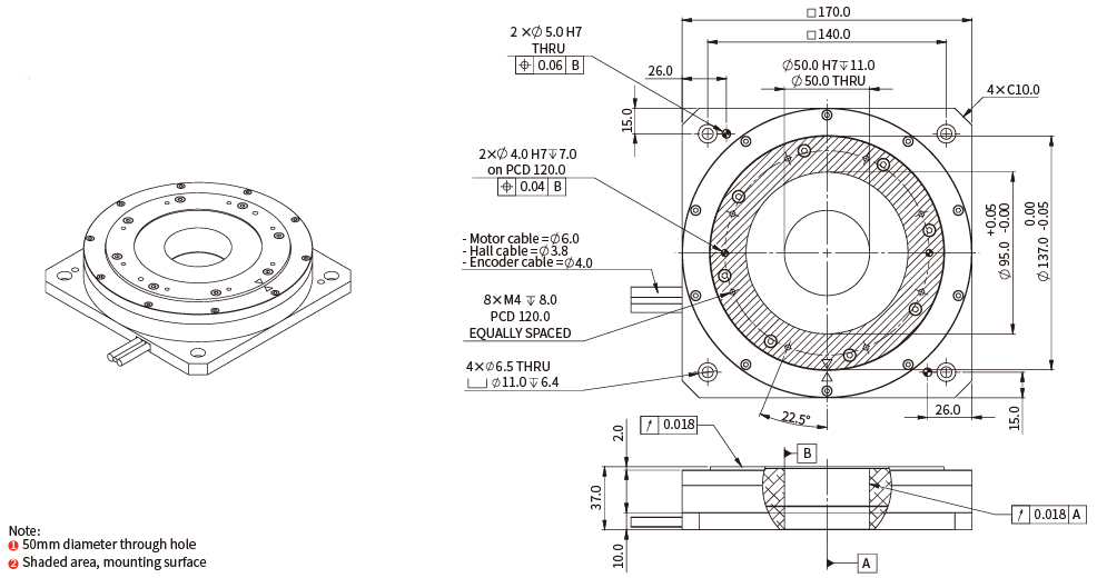
ACW170

image.png


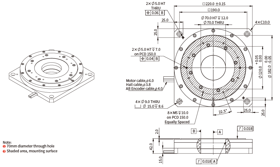
ACW220

image.png

image.png



image.png            

相关产品
ACD系列
相关产品
AXM系列
相关产品
ADR-T 系列
相关产品
ADR-C系列
在线留言
如果您有任何的建议或意见
请联系我们
cust-service@akribis-sys.cn
+86 21 58595800
留言