产品中心
ADR-B系列
直接驱动旋转电机 ADR-B系列电机是有铁芯永磁电机,通过独特的设计,实现比ADR-A系列更大的中孔,与ADR-A系列同样具有高铜线槽满率,低齿槽转矩的特点。
下载附件:
技术参数
  • 产品介绍
  • 规格参数
  • 尺寸图
  • 订购信息

设计特点

A. 大中孔

B. 直驱无刷电机高扭矩密度

C. 内置高精光栅编码器和精密轴承,高精度

D. 有铁芯技术低齿槽力

E. 通过光学零位精确复位

F. 低速和高速绕组可选




电机规格外径高度中孔最高转速@峰值转矩(415V AC)重复定位精度转动惯量
(mm)(mm)(mm)(rpm)(arc sec)(kg·m2)
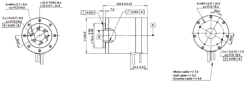
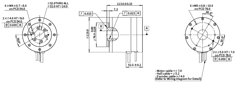
ADR110-B113110113322000+/-2.73.086E-04
ADR110-B136110136322000+/-2.74.419E-04
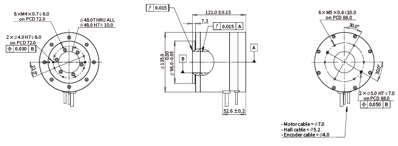
ADR135-B121135121481350+/-29.916E-04
ADR135-B14813514848745+/-21.332E-03
ADR175-B14317514372880+/-25.422E-03
ADR175-B18017518072470+/-27.621E-03
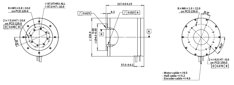
ADR220-B16722016787540+/-21.786E-02
ADR220-B21722021787260+/-22.522E-02

注:

①测量基于ABI增量式光学编码器(SIN/COS,4096x)和330V母线电压。

②测量基于ABI增量式光学编码器(SIN/COS,4096x),标准端跳等级。

相关参数规格如有变动,恕不另行通知。


                               

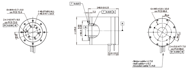
ADR110-B113

image.png

ADR110-B136

image.png

ADR135-B121

image.png

ADR135-B148

image.png

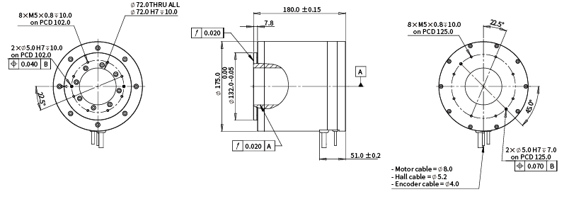
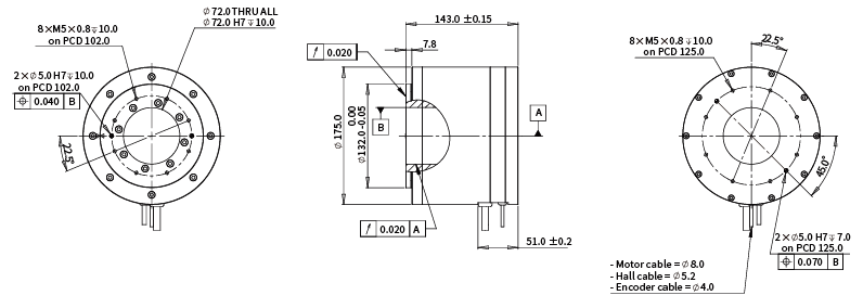
ADR175-B143

image.png

ADR175-B180

image.png

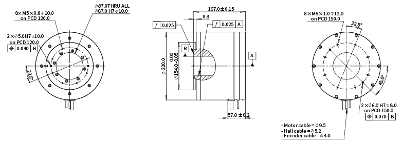
ADR220-B167image.png

ADR220-B217

image.png


 image.png


image.png


image.png





相关产品
ADR-P系列
相关产品
ACD系列
相关产品
AER-F 系列
相关产品
ADR-T 系列
相关产品
ACD-P系列
在线留言
如果您有任何的建议或意见
请联系我们
cust-service@akribis-sys.cn
+86 21 58595800
留言