产品中心
ADR-P系列
无框式旋转电机 ADR-P系列为无框电机,使用与ADR-A系列和ADR-B系列同样的电磁设计,高槽满率,低齿槽转矩。客户可以根据自己的需求进行机械结构设计集成。
下载附件:
技术参数
  • 产品介绍
  • 规格参数
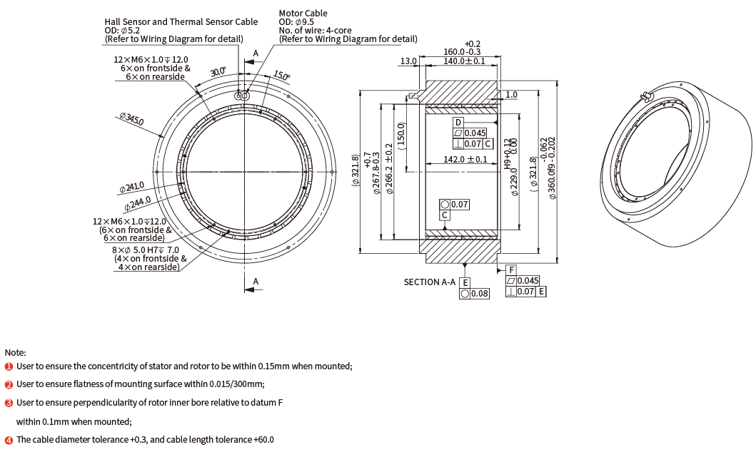
  • 尺寸图
  • 订购信息

设计特点

A. 有铁芯技术低齿槽力

B. 低速和高速绕组,可选高转速

C. 直驱无刷电机无框电机,由转子和定子组成高扭矩密度

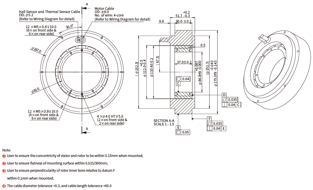
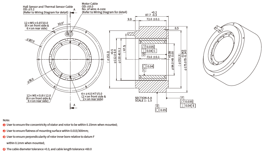
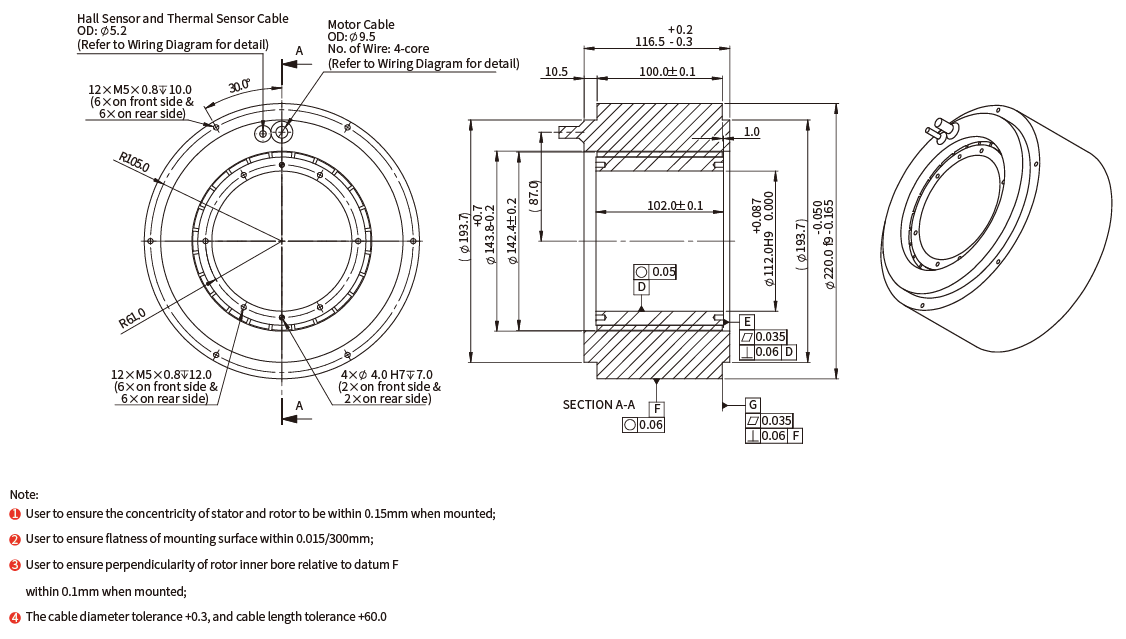
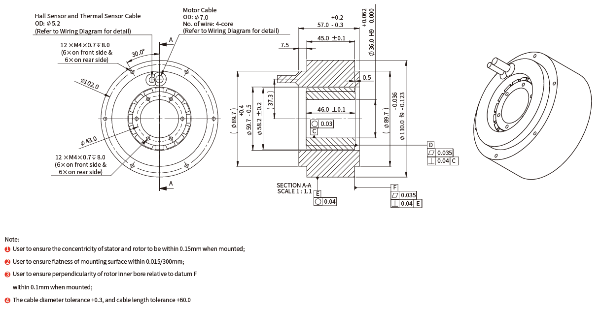
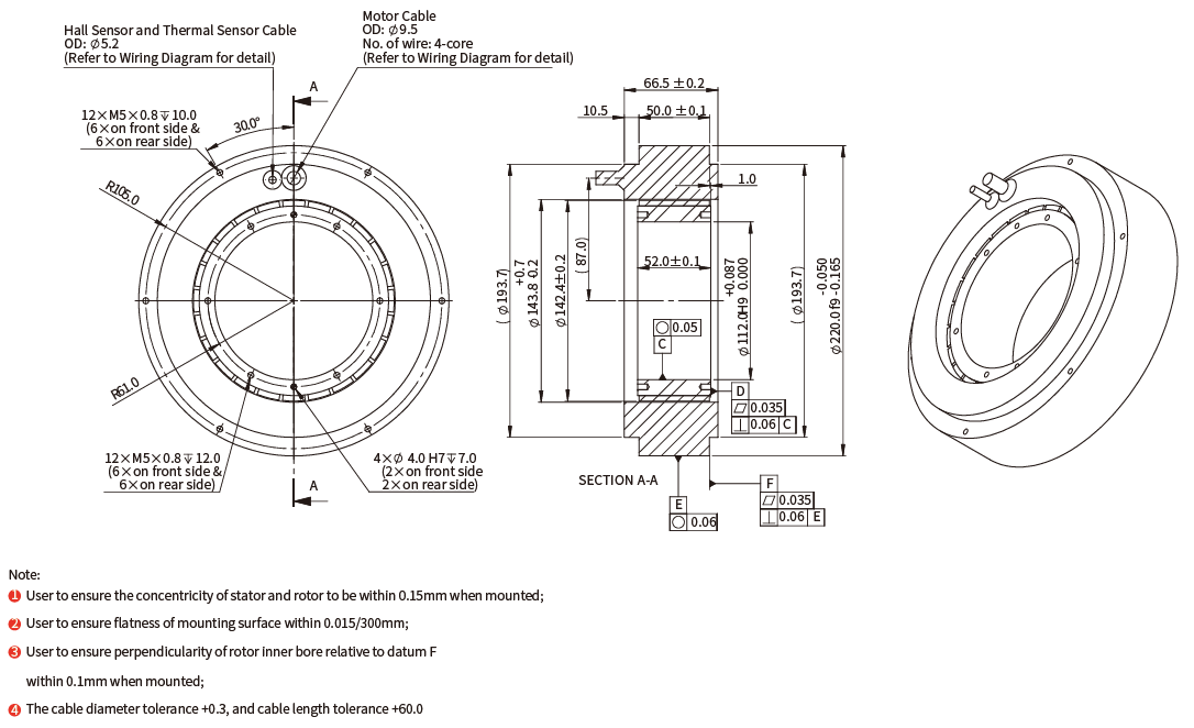
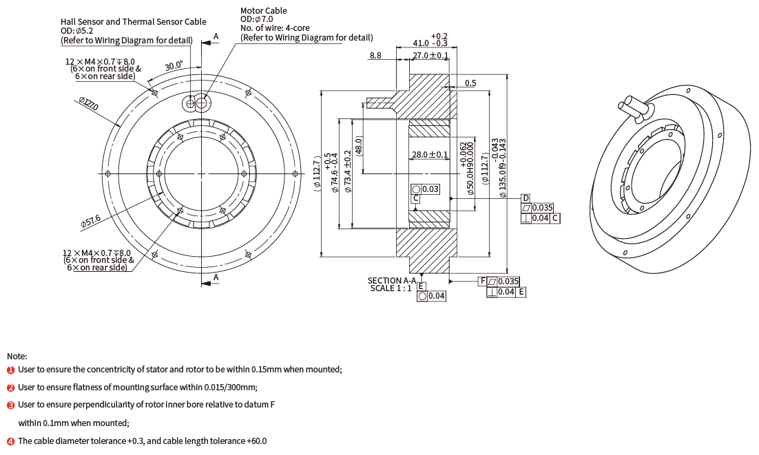
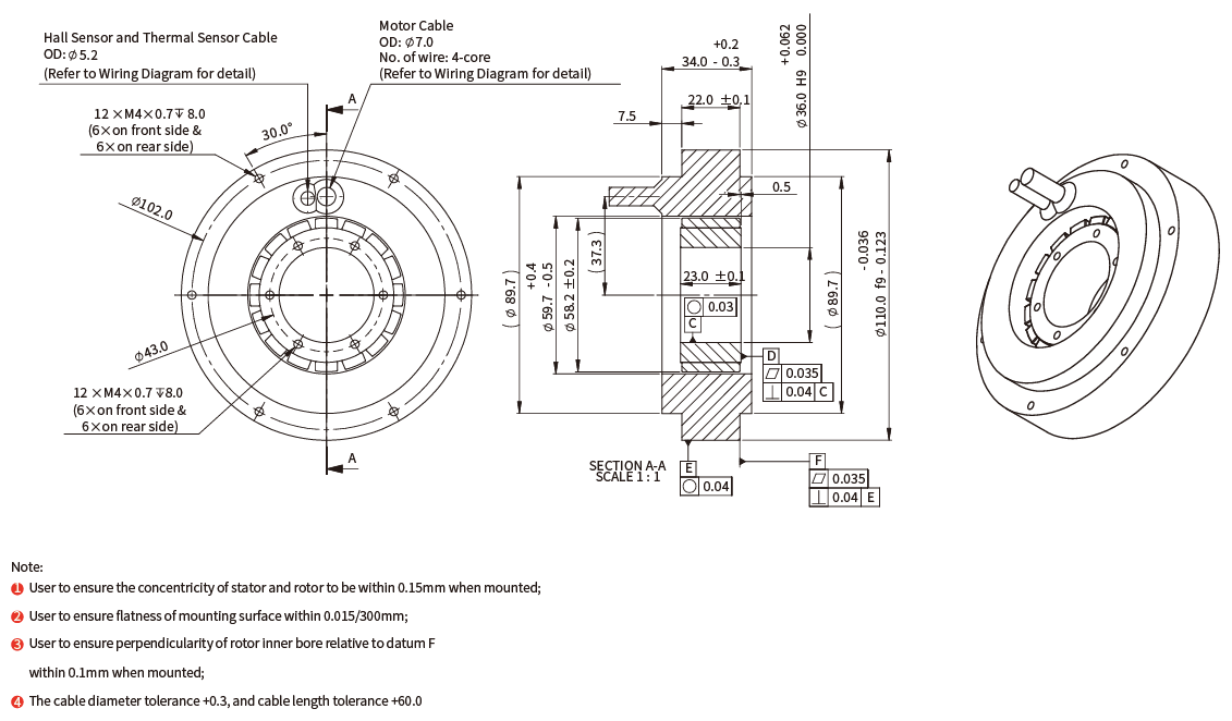
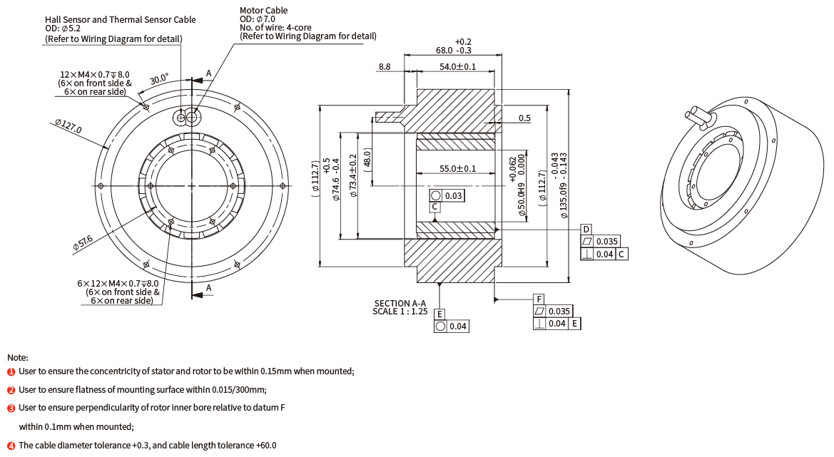
电机规格外径高度中孔最高速度@峰值转矩重复定位精度转动惯量
(mm)(mm)(mm)(rpm)(arc sec)(kg·m2)
ADR110-P-221103436--1.463E-04
ADR110-P-451105736--2.99E-04
ADR135-P-271354150--4.243E-04
ADR135-P-541356850--8.463E-04
ADR175-P-3617551.784--2.453E-03
ADR175-P-7217587.784--4.892E-03
ADR220-P-5022066.5112--9.249E-03
ADR220-P-100220116.5112--1.831E-02
ADR280-P-4028060172--1.145E-01
ADR320-P-80320100210--8.15E-02
ADR360-P-7036090229--1.145E-01
ADR360-P-140360160229--2.272E-01

相关参数规格如有变动,恕不另行通知。

ADR110-P-22

image.png



ADR110-P-45

image.png



ADR135-P-27

image.png



ADR135-P-54

image.png



ADR175-P-36

image.png



ADR175-P-72

image.png



ADR220-P-50

image.png



ADR220-P-100

image.png



ADR280-P-40

image.png



ADR320-P-80

image.png



ADR360-P-70

image.png



ADR360-P-140image.png


image.png

image.png                  

相关产品
ADR-A系列
相关产品
ADR-B系列
相关产品
AER-F 系列
相关产品
ADR-C系列
在线留言
如果您有任何的建议或意见
请联系我们
cust-service@akribis-sys.cn
+86 21 58595800
留言