产品中心
ALM-T系列
ALM-T系列为无铁芯直线电机,无齿槽力设计,体积轻薄、推力密度高,适用于低速度波动和高动态响应的应用,也能满足高精度力控制的需求。
  • 产品介绍
  • 规格参数
  • 尺寸图
  • 订购信息

设计特点:

 

A.轻薄设计,高推力密度

B.无齿槽力,运行平稳

C.高动态响应

D.可选霍尔模块


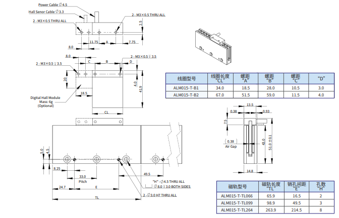
ALM015-T

电机线圈线圈长度 (mm)持续推力 (N) @100℃峰值推力 (N)
ALM015-T-B1

34.0

10.036.0
ALM015-T-B267.020.072.0

 

电机磁轨磁轨长度 (mm)
ALM015-T-TL066066
ALM015-T-TL099099
ALM015-T-TL264264


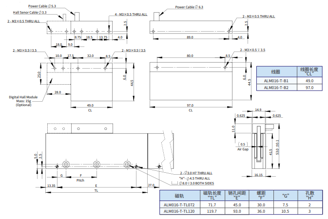
ALM016-T

电机线圈线圈长度 (mm)持续推力 (N) @100℃峰值推力 (N)
ALM016-T-B149.019.542.5
ALM016-T-B297.039.085.0

 

电机磁轨磁轨长度 (mm)
ALM016-T-TL072072
ALM016-T-TL120120



ALM015-T

image.png


ALM016-T

image.png

image.png

image.png


image.pngimage.png




相关产品
AWM系列
相关产品
AKM系列
相关产品
ALM 系列
相关产品
AKD-A
在线留言
如果您有任何的建议或意见
请联系我们
cust-service@akribis-sys.cn
+86 21 58595800
留言