设计特点:
A.无铁芯技术
B.无齿槽力
C.宽度小
D.重量轻
E.响应快
电机线圈 | 线圈长度 (mm) | 持续推力 (N) @100℃ | 峰值推力 (N) |
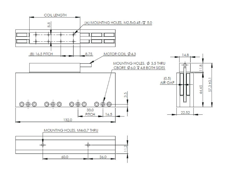
ALM1-S1 | 34.0 | 5.5 | 27.3 |
ALM1-S2 | 67.0 | 10.9 | 54.7 |
ALM1-S3 | 100.0 | 16.4 | 82.0 |
ALM1-S4 | 133.0 | 21.9 | 109.4 |
电机磁轨 | 磁轨长度 (mm) |
ALM1-TL132 | 132 |
ALM1-TL198 | 198 |
ALM1-TL231 | 231 |
ALM1-TL297 | 297 |
ALM1-TL594 | 594 |
电机线圈 | 线圈长度 (mm) | 持续推力 (N) @100℃ | 峰值推力 (N) |
ALM2-S1 | 70.0 | 17.0 | 85.1 |
ALM2-S2 | 130.0 | 34.0 | 170.2 |
ALM2-S3 | 190.0 | 51.1 | 255.3 |
ALM2-S4 | 250.0 | 68.1 | 340.4 |
电机磁轨 | 磁轨长度 (mm) |
ALM2-TL120 | 119.7 |
ALM2-TL180 | 179.7 |
ALM2-TL240 | 239.7 |
ALM2-TL300 | 299.7 |
ALM2-TL540 | 539.7 |
电机线圈 | 线圈长度 (mm) | 持续推力 (N) @100℃ | 峰值推力 (N) |
ALM3-S1 | 76.0 | 18.0 | 50.5 |
ALM3-S2 | 148.0 | 36.1 | 101.0 |
ALM3-S3 | 220.0 | 54.1 | 151.6 |
ALM3-S4 | 292.0 | 72.2 | 202.1 |
电机磁轨 | 磁轨长度 (mm) |
ALM3-TL144 | 143.5 |
ALM3-TL216 | 215.5 |
ALM3-TL360 | 359.5 |
ALM3-TL504 | 503.5 |
电机线圈 | 线圈长度 (mm) | 持续推力 (N) @100℃ | 峰值推力 (N) |
ALM4-S1 | 94.0 | 42.4 | 141.3 |
ALM4-S2 | 178.0 | 84.8 | 282.7 |
ALM4-S3 | 262.0 | 127.2 | 424.0 |
ALM4-S4 | 346.0 | 169.6 | 565.4 |
电机磁轨 | 磁轨长度 (mm) |
ALM4-TL168 | 167.5 |
ALM4-TL252 | 251.5 |
ALM4-TL420 | 419.5 |
ALM4-TL588 | 587.5 |
电机线圈 | 线圈长度 (mm) | 持续推力 (N) @100℃ | 峰值推力 (N) |
ALM12-S1 | 67.0 | 10.5 | 41.9 |
ALM12-S2 | 133.0 | 21.0 | 83.8 |
ALM12-S3 | 199.0 | 31.4 | 125.8 |
ALM12-S4 | 265.0 | 41.9 | 167.7 |
电机磁轨 | 磁轨长度 (mm) |
ALM12-TL132 | 132 |
ALM12-TL198 | 198 |
ALM12-TL231 | 231 |
ALM12-TL297 | 297 |
ALM12-TL594 | 594 |
ALM1