首页
关于我们
公司介绍
员工风采
产品中心
标准直驱电机
标准直驱模组
标准多轴精密平台
定制电机与平台
驱动器与控制器
编码器
其他
行业案例
案例视频
半导体(半导体前道、后道)
电子产品(手机、平板电脑及其他)
可再生能源(光伏、风电)
机器人(工业机器人、智能机器人)
光电(激光、LED、光通讯)
平板显示器
PCB
生物制药与医疗健康
增材制造(3D打印)
锂电池
印刷
数控机床
自动化
环保
更多应用
新闻中心
资源中心
产品样册
电机选型
认证证书
联系我们
中文
Deutsch
日本語
English
韩語
产品中心
ADR-H系列
ADR-H系列转动惯量低,适用于高速应用
产品介绍
规格参数
尺寸图
订购信息
设计特点
A.
直驱无刷永磁电机
B.
高扭矩密度
C.
低转动惯量
D.
适用于高速应用
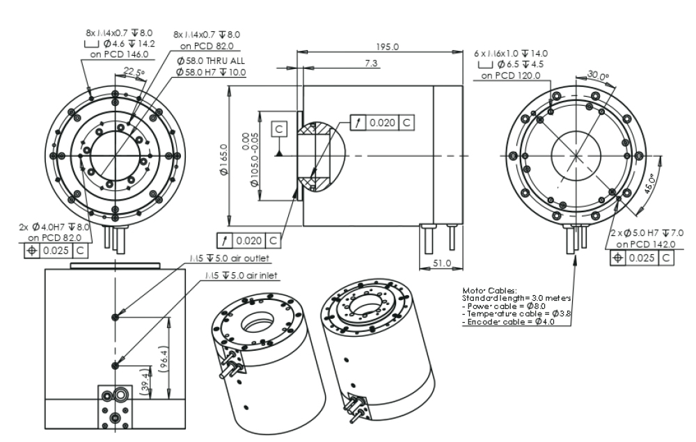
电机规格
外径
高度
中孔
最大速度@峰值转矩
重复定位精度
转子惯量
(mm)
(mm)
(mm)
(rpm)
(arc sec)
(kgm
2
)
ADR152-H195
165
195
58
530
+/-2.0
4.5E-03
相关产品
ADR-A系列
相关产品
ACD系列
相关产品
ADR-T 系列
相关产品
AXD-ERA系列
在线留言
如果您有任何的建议或意见
请联系我们
cust-service@akribis-sys.cn
+86 21 58595800
留言