设计特点:
A.定转子无接触
B.零阻滞
C.无颗粒物排放
D.中孔设计
E.锥形轴承
F.高重复性和精度
G.速度稳定性高
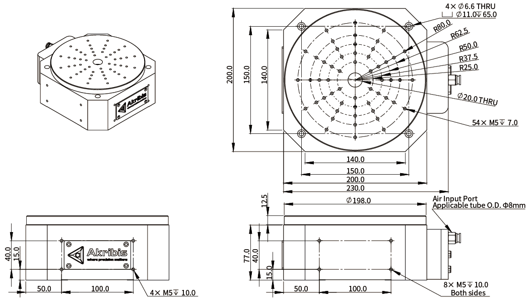
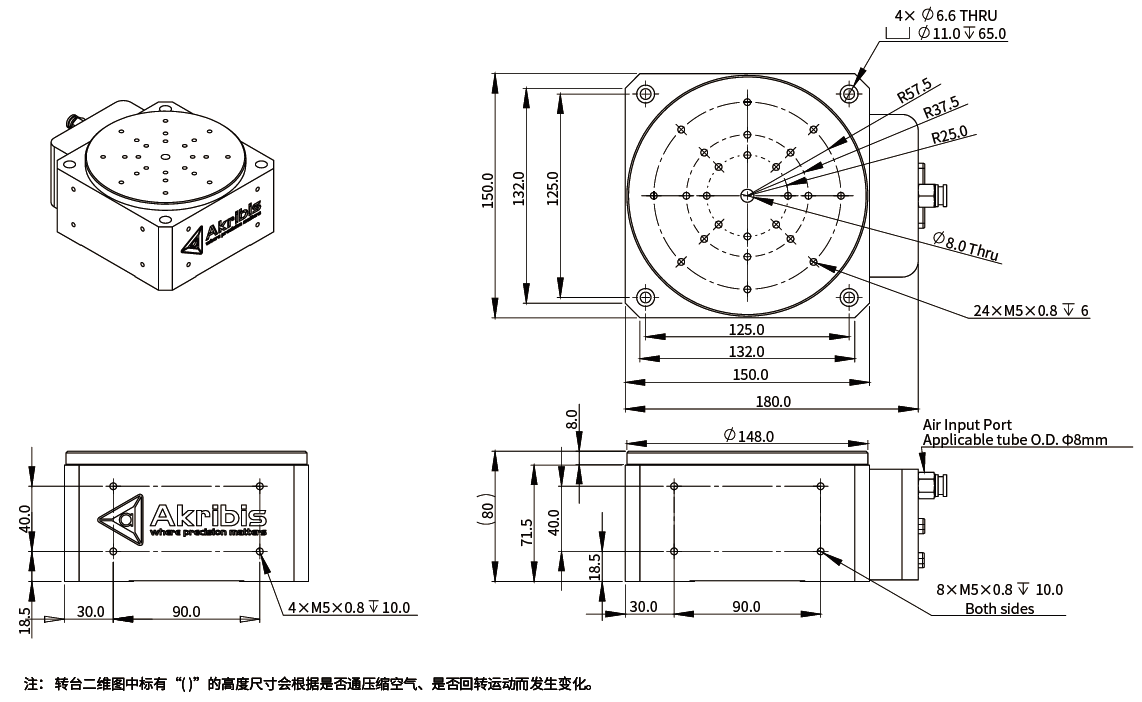
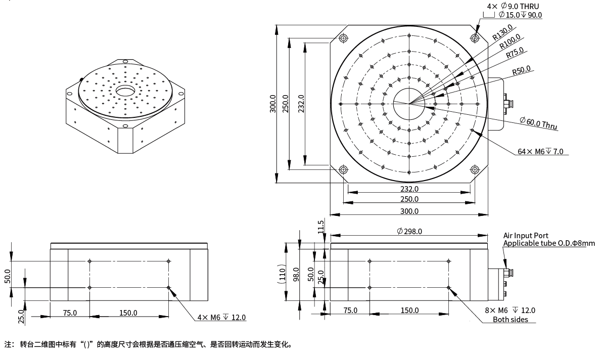
电机规格 | 直径 | 高度① | 中孔 | 最高转速@峰值扭矩(110V) | 重复定位精度 | 转动惯量 |
(mm) | (mm) | (mm) | (rpm) | (arc sec) | (kg·m2) | |
AAR150-A | 150 | (80) | 8 | 2000 | <2 | 0.00217 |
AAR200-A | 200 | 89.5 | 10 | 1500 | <1 | 0.0106 |
AAR250-A | 250 | (100) | 35 | 1000 | <1 | 0.0271 |
AAR300-A | 300 | (110) | 60 | 800 | <1 | 0.052 |
注:
①标有“( )”的高度尺寸会根据是否通压缩空气、是否回转运动而发生变化。
相关参数规格如有变动,恕不另行通知。
AAR150-A
AAR200-A
AAR250-A
AAR300-A