设计特点
A. 紧凑型设计
B. 防蠕动交叉滚子导轨
C. 直驱技术
D. 高精度光学编码器
E. 可叠加使用
电机参数 | 单位 | AML90B-25 | AML90B-50 | AML90B-100 | |||
电机型号 | - | CLA0010-025 | CLA0010-025 | CLA0010-025 | |||
持续推力@100°C① | N | 17.1 | 17.1 | 17.1 | |||
峰值推力 | N | 51.3 | 51.3 | 51.3 | |||
力常数 ±10% | N/Arms | 8.6 | 8.6 | 8.6 | |||
反电势常数 ±10% | Vpeak/(m/s) | 7.0 | 7.0 | 7.0 | |||
相间电阻 @25°C ±10%② | Ω | 5.2 | 5.2 | 5.2 | |||
相间电感 ±30%③ | mH | 1.8 | 1.8 | 1.8 | |||
持续电流(自冷) @100°C① | Arms | 2.0 | 2.0 | 2.0 | |||
峰值电流 | Arms | 6.0 | 6.0 | 6.0 | |||
最高电压 | Vdc | 48.0 | 48.0 | 48.0 | |||
机械参数 | 单位 | AML90B-25 | AML90B-50 | AML90B-100 | |||
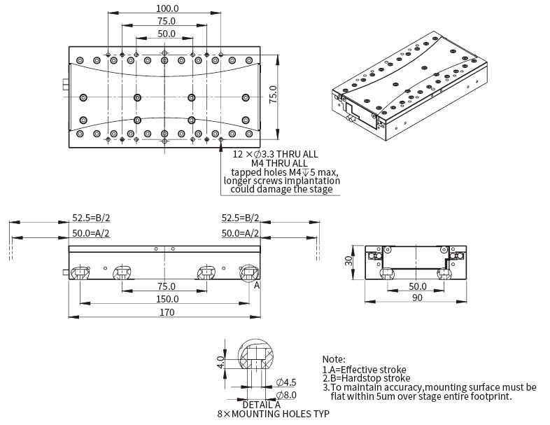
行程 | mm | 25 | 50 | 100 | |||
分辨率 | μm | 0.05 | 0.2 | 0.05 | 0.2 | 0.05 | 0.2 |
重复定位精度 | μm | ±0.5 | ±0.5 | ±0.5 | |||
水平直线度 | μm | ±2.0 | ±2.0 | ±3.0 | |||
垂直直线度 | μm | ±2.0 | ±2.0 | ±3.0 | |||
额定负载④ | kg | 3.0 | 4.0 | 6.0 | |||
空载运动质量 | kg | 0.3 | 0.5 | 0.7 | |||
空载总质量 | kg | 0.7 | 0.9 | 1.4 | |||
最大容许侧倾力矩 | Nm | 1.2 | 1.6 | 2.4 | |||
最大容许俯仰力矩 | Nm | 0.8 | 1.6 | 3.7 | |||
最大容许横摆力矩 | Nm | 0.8 | 1.6 | 3.7 |
注:
1 测量环境温度为26°C,数值取决于热环境。
2 电阻测量采用直流电流,含0.5米标准线缆。
3 电感是通过1kHZ的电流频率来测量的。
4 在无悬臂的情况下,模组的负载能力。
相关参数规格如有变动,恕不另行通知。
AML90B-25
AML90B-50
AML90B-100