设计特点:
A. 全直驱技术
B. 模块化设计,系统长度和小车数量灵活组配
C. 单个小车独立控制,实时位置监控
D. 重复定位可达±10μm,小车最大速度可达2m/s
参数规格 | 单位 | ADC120 | ADC270 |
峰值力 | N | 573 | 573 |
最大负载 | kg | 40 | 40 |
最大速度 | m/s | 2 | 2 |
重复定位精度 | μm | ±10 | ±10 |
最大线长 | m | 500 | 500 |
最大小车数量 | Pcs | 250 | 250 |
两小车最小中心距 | mm | 250 | 250 |
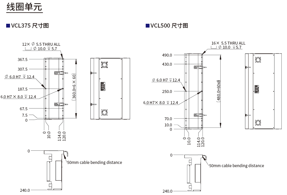
线性模块长度 | mm | 375/500 | 375/500 |
移动小车最小长度 | mm | 140 | 180 |
移动小车质量 | kg | 3.5 | 3.5 |
输入电源 | Vdc | 48 | 48 |
使用温度 | °C | 10~50 | 10~50 |
使用湿度 | - | 35% ~ 85%RH (无凝结) | 35% ~ 85%RH (无凝结) |
环形线
参数规格 | 单位 | ADC220 |
峰值力 | N | 332 |
最大负载 | kg | 40 |
最大速度 | m/s | 3 |
重复定位精度 | μm | ±30 |
最大线长 | m | 500 |
最大小车数量 | Pcs | 250 |
两小车最小中心距 | mm | 250 |
线性模块长度 | mm | 375/500 |
移动小车最小长度 | mm | 140 |
移动小车质量 | kg | 3 |
输入电源 | Vdc | 48 |
使用温度 | °C | 10~50 |
使用湿度 | - | 35% ~ 85%RH (无凝结) |
注:
小车峰值力可通过加长磁铁实现倍增,具体信息请咨询Akribis销售。