产品中心
AAL系列
导轨、电机、编码器实现全面无接触、无磨损
下载附件:
技术参数
  • 产品介绍
  • 规格参数
  • 尺寸图
  • 订购信息

设计特点:

 

A.高刚性、无摩擦静压气浮导向实现绝对顺滑的匀速扫描运动

B.超精等级几何精度(直线度、平面度、角度精度)满足高端定位系统需求

C.导轨、电机、编码器实现全面无接触、无磨损

D.内置线缆管理以及模组化XY堆叠设计简化系统集成工作

E.适用于半导体晶圆检测、激光微加工、钻石单晶车床等应用


AAL270

电机参数单位无屏蔽排线版 AAL270-X-XX-XX-X-A-X带屏蔽排线版 AAL270-X-XX-XX-X-B-X
电机型号-AUM3-P-S3AUM3-P-S3
持续推力(自冷) @100?C ①N8585
峰值推力N433433
力常数 ±10%N/Arm23.623.6
反电势常数 ±10%Vpeak/(m/s)19.219.2
相间电阻 @25?C ±10% ②Ω3.33.3
相间电感 ±40% ③mH2.622.62
持续电流(自冷) @100?C ①Arms3.63.6
峰值电流Arms18.418.4
最高母线电压 ④Vdc100330
电磁周期mm6060
机械参数 ⑤单位100 mm200 mm300 mm400 mm500 mm
分辨率μmSINCOSSINCOSSINCOSSINCOSSINCOS
定位精度 (补偿后)μm±0.2±0.4±0.4±0.5±0.5
双向重复定位精度 (ISO230-2)μm±0.075±0.1
±0.15±0.2±0.2
平面度μm±0.4±0.5±0.75±1.5±2.0
直线度μm±0.4±0.5±0.75±1.5±2.0
侧倾arcsec±1±2±3±4±5
俯仰arcsec±1±2±3±4±5
横摆arcsec±1±2±3±4±5
额定负载kg40
最大空载加速度m/s220
最大空载速度m/s1.0
空载运动质量 (无屏蔽排线版) AAL270-X-XX-XX-X-A-Xkg7.3
空载运动质量 (带屏蔽排线版) AAL270-X-XX-XX-X-B-Xkg7.7
空载总质量,单轴 (无屏蔽排线版) AAL270-X-XX-XX-X-A-Xkg22.726.029.332.535.8
空载总质量,单轴 (带屏蔽排线版) AAL270-X-XX-XX-X-B-Xkg23.827.230.633.937.3
工作环境温度10~40

注:

测量室温25?C,取决于散热环境。 相关参数规格如有变动,恕不另行通知。 

2 电阻测量采用直流电流,含0.5米标准线缆。 

3 电感测量频率1kHz,AUM系列电感浮动范围较大为±40%是因为三相电感不同,样册标定数值为最大值与最小值的平均值,对于每一相电感,浮动范围为±20%。 4 无屏蔽排线版的最高母线电压是100V。 

5 机械规格指的是单轴模组。对于XY堆叠平台,请联系雅科贝思 (cust-service@akribis-sys.cn)。


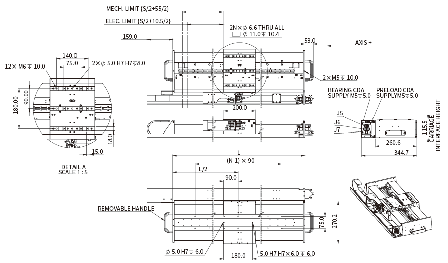
单轴无屏蔽排线版(AAL270-X-XX-XX-X-A-X)

image.png

image.png




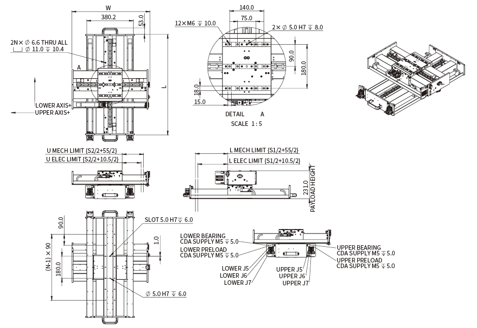
XY堆叠无屏蔽排线版(AAL270-X-XX-XX-X-A-X)


image.pngimage.png

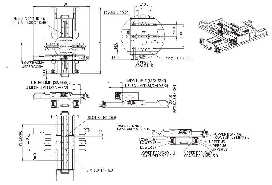
单轴带屏蔽排线版(AAL270-X-XX-XX-X-B-X)

image.png


image.png

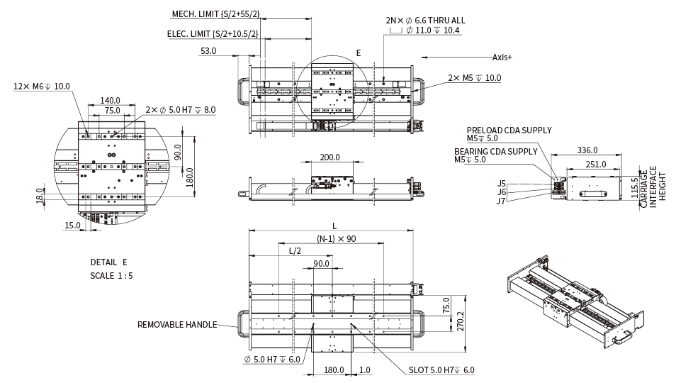
XY堆叠带屏蔽排线版(AAL270-X-XX-XX-X-B-X)

image.png

image.png




image.png


image.png

在线留言
如果您有任何的建议或意见
请联系我们
cust-service@akribis-sys.cn
+86 21 58595800
留言